Область применения:
Данные изделия предназначены для оконцевания алюминиевых и медных жил кабеля с изоляцией: бумажной маслопропитанной, пластиковой, резиновой, сшитого полиэтилена. Для кабеля с рабочим напряжением 0,6; 1; 3; 6; 10 кВ. Закрепление наконечника на жиле кабеля осуществляется болтом со срывной головкой, которая скручивается при достижении определенного усилия, обеспечивая надежное соединение. Изготавливается с прямым и «V»-образным расположением болтов.
Не подлежит обязательной сертификации.
* По предварительному заказу возможно изготовление с гальваническим покрытием и других типоразмеров.
| Тип изделия | Расположение болтов | Наименование | Особенность |
| Наконечники | Прямое | 1ЭНБ-10/25 | |
| 2ЭНБ-25/50 | |||
| 2ЭНБ-70/120 | |||
| 2ЭНБ-70/120-У | Отверстие под шпильку 16,5 | ||
| 2ЭНБ-150/240 | |||
| 2ЭНБ-150/240-У | Отверстие под шпильку 16,5 | ||
| V-образное | 2ЭНБ-V-25/50 | ||
| 2ЭНБ-V-70/120 | |||
| 2ЭНБ-V-70/120-У | Отверстие под шпильку 16,5 | ||
| 2ЭНБ-V-150/240 | |||
| 2ЭНБ-V-150/240-У | Отверстие под шпильку 16,5 |
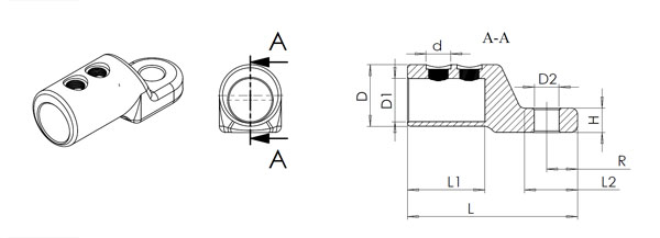
| Кол-во болтов | d | L | L1 | L2 | D | D1 | D2 | H | R |
| 1 | 6 | 38 | 16 | 15 | 16 | 9 | 6,5 | 6 | 8 |
| 2 | 10 | 62 | 32 | 21,5 | 19 | 11 | 10,5 | 8 | 9,5 |
| 2 | 12 | 88 | 44 | 32,5 | 27 | 17 | 13 | 10 | 13,5 |
| 2 | 16 | 88 | 44 | 32,5 | 27 | 17 | 16,5 | 10 | 13,5 |
| 2 | 12 | 107 | 56 | 37,5 | 37 | 26 | 13 | 13 | 18,5 |
| 2 | 16 | 107 | 56 | 37,5 | 37 | 26 | 16,5 | 13 | 18,5 |
| 2 | 10 | 62 | 32 | 21,5 | 19 | 9,9 | 10,5 | 8 | 9,5 |
| 2 | 12 | 88 | 44 | 32,5 | 27 | 17 | 13 | 10 | 13,5 |
| 2 | 16 | 88 | 44 | 32,5 | 27 | 17 | 16,5 | 10 | 13,5 |
| 2 | 12 | 107 | 56 | 37,5 | 37 | 26 | 13 | 13 | 18,5 |
| 2 | 16 | 107 | 56 | 37,5 | 37 | 26 | 16,5 | 13 | 18,5 |
ЭНБ - 1 винт
| Тип | d | L | L1 | L2 | D | D1 | D2 | H | R |
| 1ЭНБ-10/25 | 6 | 38 | 16 | 15 | 16 | 9 | 6,5 | 6 | 8 |
ЭНБ - 2 винта
|
Тип |
Номинальное |
d |
L |
L1 |
L2 |
D |
D1 |
D2 |
Н |
R |
|
2ЭНБ-25/50 |
25-50 |
10 |
62 |
32 |
21.5 |
19 |
11 |
10.5 |
8 |
9.5 |
|
|
|
|
|
|
|
|
|
|
|
|
|
2ЭНБ-70/120 |
70-120 |
12 |
88 |
44 |
32.5 |
27 |
17 |
13 |
10 |
13.5 |
|
2ЭНБ-70/120У |
70-120 |
16 |
88 |
44 |
32.5 |
27 |
17 |
16.5 |
10 |
13.5 |
|
|
|
|
|
|
|
|
|
|
|
|
|
2ЭНБ-150/240 |
150-240 |
12 |
107 |
56 |
37.5 |
37 |
26 |
13 |
13 |
18.5 |
|
2ЭНБ-150/240У |
150-240 |
16 |
107 |
56 |
37.5 |
37 |
26 |
16.5 |
13 |
18.5 |
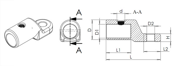
ЭНБ - 2 винта V
|
Тип |
Номинальное |
d |
L |
L1 |
L2 |
D |
D1 |
D2 |
Н |
R |
|
2ЭНБ-V-25/50 |
25-50 |
10 |
62 |
32 |
21.5 |
19 |
11 |
10.5 |
8 |
9.5 |
|
|
|
|
|
|
|
|
|
|
|
|
|
2ЭНБ-V-70/120 |
70-120 |
12 |
88 |
44 |
32.5 |
27 |
17 |
13 |
10 |
13.5 |
|
2ЭНБ-V-70/120У |
70-120 |
16 |
88 |
44 |
32.5 |
27 |
17 |
16.5 |
10 |
13.5 |
|
|
|
|
|
|
|
|
|
|
|
|
|
2ЭНБ-V-150/240 |
150-240 |
12 |
107 |
56 |
37.5 |
37 |
26 |
13 |
13 |
18.5 |
|
2ЭНБ-V-150/240У |
150-240 |
16 |
107 |
56 |
37.5 |
37 |
26 |
16.5 |
13 |
18.5 |